首页
中心概况
新闻动态
标准体系
资质认定
业务工作
廉政建设
法制建设
文化建设
通知公告
科普知识
联系我们
当前位置:
首页 >
科普知识
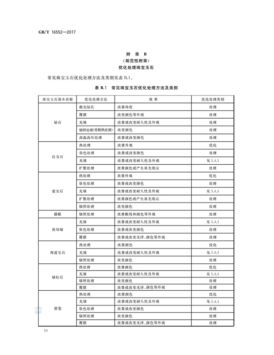
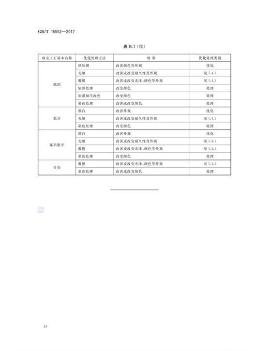
GB/T 16552-2017 珠宝玉石 名称
时间:2022年08月19日 阅读3790次
上一篇:翡翠中的“李逵”和“李鬼”,您会辨别吗?
下一篇:GB/T16554-2017 钻石 分级
版权所有:扬州市玉器产品质量监督检验中心 地址:扬州市广陵区湾头镇长安路777号 电话:0514-87332749
苏ICP备16063484号-2
苏公网安备 32100202010944号
您是本站第 2306 位访问者